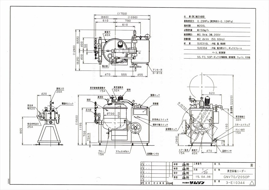
中古機械情報, 加熱・冷却機器, 加熱機器 (株)サムソン 斜軸ニーダー GNV70/20SOP/2015年製 LEAD Technologies Inc. V1.01 お問合せ番号 Y-5931 品 名 斜軸ニーダー 型 式 GNV70/20SOP 種 類 加熱・冷却機器 加熱機器 程 度 メーカー名 株式会社 サムソン 年 式 2015年製 外 寸 W900×D780×H1730(㎜) 付属機器 電 源 金 額 お問合せください 運 賃 お問合せください 保証期間 1ヶ月 保管場所 加西倉庫 備 考 ・重量:480(㎏) ・満水容量:200 (L) HOME | 中古機械情報 | 売約済み物件 | お問合せ 2024/11/13 お買上げ有難うございました。ファナック(株) パラレルリンクロボット FANUK Robot M-2iA/2019年製 三浦工業(株) ロータリーポンプ VRP-3D-FB6/2022年製